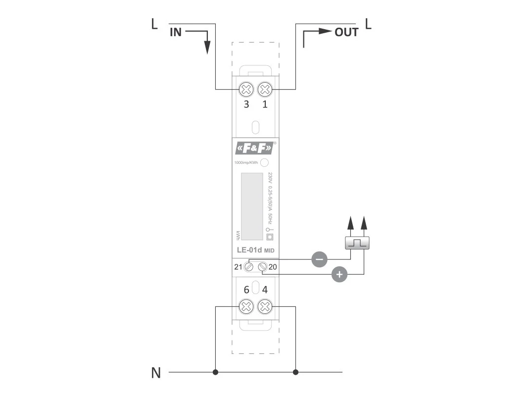
Jednofázový digitálny elektromer LE-01d MID je určený k podružnému meraniu spotreby elektrickej energie samostatných spotrebičov alebo spotrebičov v skupinách. Elektromer je možné použiť aj na fakturačné účely, je certifikovaný podľa normy MID 2014/32/EU.
Vlastnosti
- 1-fázový,
- priame meranie do 50 A,
- LCD displej,
- impulzný výstup S0.
|
Kategória:
|
1-fázový elektromer
|
|
Norma:
|
MID 2014/32/EU
|
|
Stupeň krytia:
|
IP 20
|
|
Referenčné napätie:
|
230 V AC
|
|
Min. prúdové zaťaženie:
|
0,02 A
|
|
Max. prúdové zaťaženie:
|
50 A
|
|
Referenčný prúd:
|
0,25 až 5 A
|
|
Impulzný výstup:
|
otvorený kolektor (27 V DC / 27 mA)
|
|
Príkon:
|
8 VA / 0,4 W
|
|
Konštanta elektromeru:
|
1000 imp/kWh (1 Wh/imp)
|
|
Rozsah číselníka:
|
0 až 99.999,99 kWh
|
|
Montáž:
|
na DIN lištu
|
|
Pripojenie:
|
skrutkové svorky 6 mm²
|
|
Trieda presnosti:
|
B
|
|
Prevádzková teplota:
|
-20 až 50 °C
|
|
Rozmer:
|
1 modul (18 mm)
|

