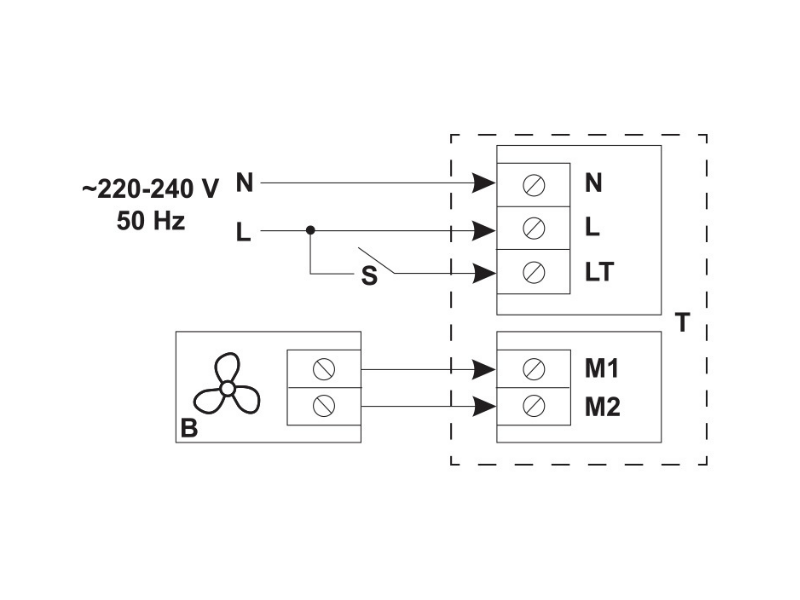
Hygrostat (senzor vlhkosti) VENTS TH-1,5 N sa používa na ovládanie domových alebo priemyselných ventilátorov na základe vlhkosti vzduchu. Umožňuje nastavenie požadovanej vlhkosti v rozsahu 60 až 90 %, pri ktorej sa má ovládaný ventilátor zapnúť a čas dobehu 2 až 30 min, po uplynutí ktorého dôjde k vypnutiu ventilátora. Montuje sa na povrch.
|
Farba:
|
biela
|
|
Výrobca:
|
Vents
|
|
Prevedenie:
|
hygrostat (senzor vlhkosti)
|
|
Rozmer:
|
162 x 80 x 70 mm
|
|
Rozsah vlhkosti:
|
60 až 90 %
|
|
Stupeň krytia:
|
IP 30
|
|
Napájanie:
|
230 V
|
|
Max. prúdové zaťaženie:
|
1,5 A
|
|
Prevádzková teplota:
|
max. 45 °C
|
|
Časový rozsah:
|
2 až 30 min
|
